[Show all top banners]

Top Bahadur
Replies to this thread:

More by Top Bahadur
What people are reading
Subscribers
:: Subscribe
Back to: Kurakani General Refresh page to view new replies
 ONLY ELECTRICAL ENGG
[VIEWED 5476 TIMES]
SAVE! for ease of future access.
Posted on 11-30-06 3:49 PM     Reply [Subscribe]
Login in to Rate this Post:     0       ?    
 

any body can solve it....I have to submit it tomarrow.....I did it but I am not sure whether that is correct or not...

 
Posted on 11-30-06 3:52 PM     Reply [Subscribe]
Login in to Rate this Post:     0       ?    
 

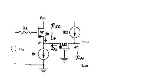
here is the diagram...

 
Posted on 11-30-06 6:06 PM     Reply [Subscribe]
Login in to Rate this Post:     0       ?    
 
 
Posted on 11-30-06 7:34 PM     Reply [Subscribe]
Login in to Rate this Post:     0       ?    
 

खोइ तेतिका आउथे MS ELECTRICAL engg पढ्न , कसैले पनि सकेन कि के हो, येस्मा small signal and large signal model both consider garna parchh। analong side तिर कोहि छैन कि के हो??
 
Posted on 11-30-06 8:06 PM     Reply [Subscribe]
Login in to Rate this Post:     0       ?    
 

When is it due Top Bahadur? Can you work with Pspice to check your values?
 
Posted on 11-30-06 8:08 PM     Reply [Subscribe]
Login in to Rate this Post:     0       ?    
 

Silly me, didn't read the deadline! Pspice might be able to help you, not quite sure though.
Good Luck!
 
Posted on 11-30-06 8:40 PM     Reply [Subscribe]
Login in to Rate this Post:     0       ?    
 

lazy top bahadur. study like your name... lazy ass
 


Please Log in! to be able to reply! If you don't have a login, please register here.

YOU CAN ALSO



IN ORDER TO POST!




Within last 200 days
Recommended Popular Threads Controvertial Threads
TPS to F1 Status.
TPS To F-1 COS
TPS Sakiyo Tara Case is in Court.
Got my F1 reinstatement approved within 3 months(was out of F1 for almost 2 years)
Has anyone here successfully reinstated to F-1 status after a year-long gap following a drop from F-1?
Need Help of IT consultancies
Nepal TPS decision
Supreme Court allows Trump to end TPS for Venezuelans
Any input on remote jobs(IT related or Sales or Marketing)?
2020 : Why No Trump !
Nepal Likely to Get 60-Day TPS Notice
Nepal TPS has been Extended !!!
NEPAL TPS IS GONE
ANA and AJAY KUMAR DEV. RAPISTS CONVENTION
#MAGA#FAFO is delicious
नेपाल मा B. sc गरियो यहाँ फेरी ७० -८० क्रेडिट पढ्नु पर्ने भो
Genuine Question.... Why so many folks still in TPS after 10 years. Is the statistics wrong?
Trump’s “Big Beautiful Bill” is straight-up xenophobic class warfare. Let’s call it what it is.
🛡️ Nepal TPS Holders: Don’t Panic About August 5 — DHS Screwed Up (Maybe on Purpose)
The New Color of Her Flag
NOTE: The opinions here represent the opinions of the individual posters, and not of Sajha.com. It is not possible for sajha.com to monitor all the postings, since sajha.com merely seeks to provide a cyber location for discussing ideas and concerns related to Nepal and the Nepalis. Please send an email to admin@sajha.com using a valid email address if you want any posting to be considered for deletion. Your request will be handled on a one to one basis. Sajha.com is a service please don't abuse it. - Thanks.

Sajha.com Privacy Policy

Like us in Facebook!

↑ Back to Top
free counters